Vørulýsing
300 AMP 12 V vinsjumagnet
. Innsiglað og tæringsmótstøðuført
. Solid tung konstruktión
. Hóskandi 5 000pund 7 000pund

Kontaktdátur
|
Samskiftisskipan |
2C (2PDT) |
|
|
Kontakttilfar |
Legering |
|
|
Kontaktmeting (mótstøðufør) |
300A 12VDC |
|
|
Maks. Skifting av streymi |
3,600W |
|
|
Kontaktmótstøða |
50m Ω Hægst |
|
|
Rakstrar el |
El |
20.000 ringrásir samfeldar við 60A 12VDC, 1.000 ringrásir avbjóðandi við 600A 12VDC |
|
Mekanisk |
100.000 ringrásir |
|
Spoluparametur
|
Nominelt |
Max halt fram |
Spolumótstøða |
Heinta |
Geva út |
Spolukraft |
|
Spenningur (VDC) |
Spenningur (VDC) |
Ω ±10% við 20 stigum |
Spenningur (VDC við 20 stigum ) |
Spenningur (VDC við 20 stigum ) |
(W) |
|
12 |
14.4 |
4.3 |
8.0 |
0.6 |
34 |
|
24 |
28.8 |
17.2 |
16.0 |
1.2 |
34 |
Rakstrarviðurskifti
|
Bjálvingarmótstøða |
100M Ω min (við 500 VDC) |
|
Dielektrisk styrki millum kontaktir Millum kontakt og spolu |
50Hz 500 VAC 50Hz 500 VAC |
|
Støðmótstøða |
30m/S2 |
|
Vibratiónsmótstøða |
1~50Hz 10m/S2. |
|
IP STIGI |
IP67 |
|
Umhvørvishiti |
-25~40 stig |
|
Lutfalslig væta |
98% (við 20 stigum ) |
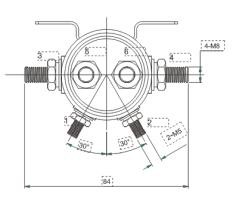
Mál (mm)


Leiðsla

Hetta DC 12V stafettin er ein avgerandi el-partur, sum er gjørdur til bil- og ídnaðarnýtslu, og virkar sum ein brúgv millum stýrisrásir og høgar-effektbyrður. Her er eitt stutt yvirlit yvir eginleikar og fyrimunir:
Kjarnufunktión
Tað virkar sum ein elektromagnetiskur rotari -tá eitt stýrisignal (t.d. frá einum rotara ella sensara) aktiverar sína spolu, kontaktirnar í stafettini lata seg aftur, og tað ger tað møguligt at streyma høgur streymur til at stýra tólum sum motorum, ljósum ella solenoidum. Hesin skilnaðurin av stýrings- og lastrásum tryggjar, at lág-streymsstýrisskipanir (t.d. bil ECU ella manuellir rotarar) ikki verða yvirbelastaðar av høgum-effektbyrðum.
Lykla eginleikar
- Spenningssamsvar: Nominelt til DC 12V, í tráð við vanligar bilkraftskipanir.
- Haldføri: Bygdur til at tola harðlig umhvørvi (t.d. motorrúm við ekstremum hita, vibratiónum og vætu), sum tryggjar álítandi rakstur í krevjandi umsóknum.
- Kompakt snið: Kompakta støddin ger, at tað er lætt at seta upp í trongum rúmum, og ger tað til eina perfekta bil- ella ídnaðarútgerð við avmarkaðum plássi.
- Álítandi: Sniðgivin til at handfara tíðarhóskandi tendra/sløkkja ringrásir, sum leingja um livitíðina hjá tilknýttum tólum og sjálvum stafettinum.
Umsóknir
Hetta stafettin er nógv brúkt í:
- Bilskipanir: Stýra framljósum, mjørkaljósum, hornum, brennievnispumpum, køliviftum og øðrum.
- Ídnaðarútgerð: Stýra motorum, solenoidum og øðrum há-effekttólum í maskinum.
- El-stýringsrásir: Isolera stýrisignal frá høgum-effektbyrðum fyri at forða fyri rásyvirvekt.
Við at sameina sterka avrikið við fjølbroyttum funktionaliteti er hetta DC 12V stafettin eitt alneyðugt amboð til at tryggja smidligan og álítandi rakstur í bæði bil- og ídnaðarelskipanum.
Okkara verksmiðja








Okkara prógv




















Framsýning









Heit merki: vinsj solenoid samfelt skyldu, Kina vinsj solenoid samfeld skyldu framleiðarar, veitarar, verksmiðju